Plot No.2, Phase II, Peenya Industrial Area, Bangalore, Karnataka - 560058

info@fouressindia.com

Call: +91 80 2839 5734

Feedback Form

FOURESS PRODUCTS IN THERMAL POWER PLANTS (COAL FIRED AND GAS FIRED)

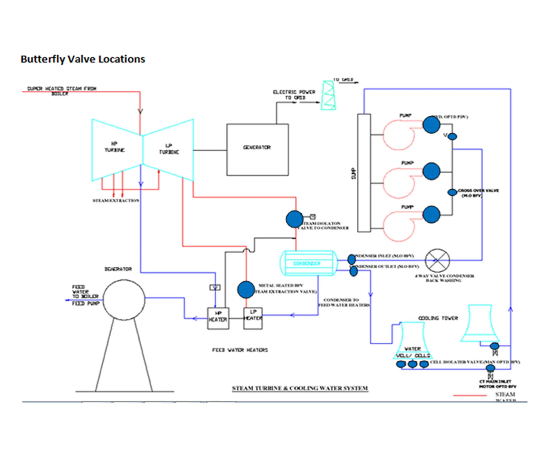
Butterfly Valve Locations

Main Image

Valves suited for applications in the power generation industry include triple offset, high performance butterfly valves, double eccentric butterfly valves, and resilient seated concentric butterfly valves.

Fouress double eccentric butterfly valve finds application in Circulating Cooling Water lines for isolation as well as special application as Pump Discharge Valves at the discharge of large circulating water pumps. The Fouress design of Pump Discharge Valve with hydraulic actuation allows the user to eliminate the Pump Discharge Check Valve.

The triple offset valve offers bi-directional gas tightness, innovative self-centering, and flexible disc sealing. The design flexibility allows for ease of use in customized solutions. Thermal power plants require Fouress triple offset butterfly valves because they can withstand high-pressure levels and extremely high temperatures. Since they are completely fire-proof, they are also the safest option for gas lines in gas-based power plants.

The high performance butterfly valve offers soft or metal seated design, is unparalleled in vacuum-to-low pressure environments, and is fire safe. Flue Gas Desulphurization (FGD) systems require specialty valves such as slurry service isolation valves, an application that is met by Fouress Knife Gate Valves.

Coal Fired Power Plants

Main Image

Fouress Dampers in a coal-fired power plant are located from the induced draft fan and primary air system to the flue gas scrubber outlets. Since several equipment such as fans and precipitators are often paralleled, the number of installed dampers can be much higher than the operating dampers. Fouress Dampers are installed in various locations of the power plant.

Fouress control dampers are typically of the opposed louver type, and isolation dampers can be either parallel louver or guillotine type. Fouress recommends louvre dampers when quick opening or closing is required. Fouress has also supplied butterfly dampers for circular ducts adjacent to flue gas desulfurization systems.

The largest Fouress dampers are found in FGD plants as bypass dampers, usually louvre dampers (where quick opening and closing is required), and as booster fan inlet and outlet dampers, typically guillotine dampers. At the inlet to centrifugal fans, Fouress has also supplied parallel blade louver dampers. These damper types impart whirl to inlet air when damper vanes are partly closed, reducing power requirements.

Service conditions vary widely throughout the power plant. Clean, low-temperature air at the forced draft fan inlet contrasts with ash-laden, wet, corrosive gas before or after the scrubber. Temperature changes of nearly 180°C can occur suddenly when an air heater fails. Fouress Dampers are designed to operate reliably under these diverse conditions.